邮箱 szobte@163.com   ☎ 电话:512-87772336 / 89573136

产品分类

loading

分享到:

LSZ-F02C

不锈钢激光焊接,IP68防护等级
抗疲劳、抗偏载,可承受拉、压两种工作方式
适用于拉压试验机 实验平台拉力测试及其他力值的测量与控制。
状态:
数量:

产品描述

产品特点

 不锈钢激光焊接,IP68防护等级

 抗疲劳、抗偏载,可承受拉、压两种工作方式

 适用于拉压试验机 实验平台拉力测试及其他力值的测量与控制

量程


0-5kg,10kg,20kg,30kg,50kg,100kg,200kg

  客户可以根据自己需求定制量程。


技术参数


额定输出

2.0mv/v±1%

零点平衡

额定输出的±1% 

蠕变

额定输出的±0.03% 

非线性

额定输出的±0.03% 

滞后

额定输出的±0.03% 

重复性

额定输出的±0.03% 

灵敏度温漂

≤应用输出的0.002%/℃

零点温漂

≤额定输出的0.002%/℃

可用温度范围

-10℃ t至+70℃

温度补偿范围

-10℃ +40℃

安全载荷

150%

输入阻抗

387 Ω±20Ω

输出阻抗

350 Ω±5Ω

绝缘阻抗

≥5000MΩ(50V DC)

推荐激励电压

10V DC/AC

导线颜色

Red(+E)Black(-E)Green(+S)White(-S)


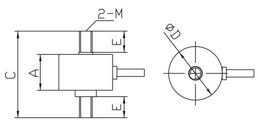
产品尺寸


尺寸(毫米)

帽(公斤)

A

C

E

2M

D

0-20公斤

17

38

10.5

M5

25.4

30-200公斤

25

52

13

M10

34

受力示意图




注意:此信息仅供参考。具体以实物为准




上一条: 
下一条: 
+ 86-512-87772336
+ 86-512-89573136
 吴江区东太湖
 大道11666号 

快速链接

产品展示

版权所有 2020 SZOBTE    苏ICP备14015459号-1 技术支持