邮箱 szobte@163.com   ☎ 电话:512-87772336 / 89573136
首页 » 产品展示 » 传感器 » 微型称重传感器 » LSZ-F02 微型称重传感器

产品分类

loading

分享到:

LSZ-F02 微型称重传感器

传感器
高度低,全密封
适用于空间有限的场合使用
  • LSZ-F02

  • SZOBTE

  • LSZ-F02

状态:
数量:

产品描述

LSZ-F02微型称重传感器


产品特点


感器

高度低,全密封,激光焊接

更高的过载保护能力

适用于空间有限的场合使用


量程                                                      

0-5kg,10kg,20kg,50kg,100kg,200kg,500kg,1t,2t


技术参数   

额定输出

1.0-1.5mV/V±1%

零点平衡

额定输出的±1%

蠕变

额定输出的±0.03

非线性

额定输出的±0.03

滞后

额定输出的±0.03

重复性

额定输出的±0.03

灵敏度温漂

小于等于应用输出的0.002%/

零点温漂

小于等于额定输出的0.002%/

可用温度范围

-10至+70

温度补偿范围

-10至+40

安全载荷

150%

输入阻抗

387Ω±20Ω

输出阻抗

350Ω±5Ω

绝缘阻抗

大于等于5000MΩ(50V DC)

推荐激励电压

5V DC/AC

最 大工作电压

10V DC/AC

防护等级

IP65

电线

2m

型号

  LSZ-F02/5kg

导线颜色

红色(E+)黑色(E-)绿色(S+)白色(S-


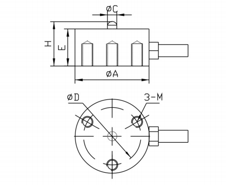
产品尺寸




图片18



图片19


受力示意图

图片20

注意:此信息仅供参考。具体以实物为准


上一条: 
下一条: 
+ 86-512-87772336
+ 86-512-89573136
 吴江区东太湖
 大道11666号 

快速链接

产品展示

版权所有 2020 SZOBTE    苏ICP备14015459号-1 技术支持