邮箱 szobte@163.com   ☎ 电话:512-87772336 / 89573136

产品分类

loading

分享到:

LSZ-F02A罐加载单元

罐加载牢房
优质不锈钢
易于安装
低高度和强刚度
应用:适用于空间有限的场合
  • LSZ-F02A

  • SZOBTE

  • LSZ-F02A

状态:
数量:

产品描述

LSZ-F02A罐加载单元


微型“类型系列

特征

n称重传感器

n优质不锈钢

nE安装

n低高度和强刚度

l应用:适用于空间有限的场合

                                                           

能力                                                  



0-3kg,5kg,10kg,20kg

规格    

额定输出

1.0〜1.5mV / v±1%

零余额

±额定输出的1%

30分钟后蠕动

±0.05%的额定输出

非线性

±0。05%的额定输出

滞后

±0。05%的额定输出

重复性

±0。05%的额定输出

温度。effecto零钱

0.03%的应用输出/

温度。对零影响

0.03%的额定输出/

安全的温度。范围

-10℃到+ 70.

temp.compstated.

-10到+40℃

安全过载

150%

输入阻抗

387Ω±20Ω

输出阻抗

350ω±5Ω

绝缘电阻

5000m.Ω(50V DC)

额定激励电压

5V DC / AC

最大激励电压

10V DC / AC

保护类

IP65.

建造

0-5T(3.5米); 10T(6M)

类型

LSZ-F02 / 3KG

电缆颜色码

红色(+ e)黑色(-e)绿色(+ s)白色(-s)

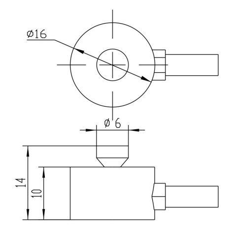
Dimensions

图片15.




力方向

图表14.


注意:信息仅供参考。细节须予以订单


上一条: 
下一条: 
+ 86-512-87772336
+ 86-512-89573136
 吴江区东太湖
 大道11666号 

快速链接

产品展示

版权所有 2020 SZOBTE    苏ICP备14015459号-1 技术支持