邮箱 szobte@163.com   ☎ 电话:512-87772336 / 89573136

产品分类

loading

分享到:

LSZ-A22 称重模块

优质铝合金材质
可直接安装在地上或者基础结构上
安装简便、快捷,稳定可靠
适用于汽车衡,搅拌站,灌料秤等行业
  • LSZ-A22

  • SZOBTE

  • LSZ-A22

状态:
数量:

产品描述


LSZ-A22 称重模块

                                                       


产品特点


优质铝合金材质

可直接安装在地上或者基础结构上

l 安装简便、快捷,稳定可靠

    l 适用于汽车衡,搅拌站,灌料秤等行业


量程                                                       

1t,2t,3t,5t,7.5t,10t,15t,20t

技术参数   

额定输出

2.0mV/V±1%

零点平衡

额定输出的±1%

蠕变

额定输出的±0.03

非线性

额定输出的±0.03

滞后

额定输出的±0.03

重复性

额定输出的±0.03

灵敏度温漂

小于等于应用输出的0.002%/

零点温漂

小于等于额定输出的0.002%/

可用温度范围

-10至+70

温度补偿范围

-10至+40

安全载荷

150%

输入阻抗

387Ω±20Ω

输出阻抗

350Ω±5Ω

绝缘阻抗

大于等于5000MΩ(50V DC)

推荐激励电压

5V DC/AC

工作电压上限

10V DC/AC

防护等级

IP65

电线

3m

型号

  LSZ-A22/1t

导线颜色

红色(E+)黑色(E-)绿色(S+)白色(S-

 

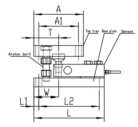
产品尺寸

























图片6




















CAP(吨)

尺寸(毫米)

0.5〜3

5〜7.5

10

15〜20

L

286

317.5

360

400

L1

32

32

32

25

L2

226

257

295

350

A

150

178

184

220

A1

124

146

152

170

B

128

152

154

220

B1

102

120

122

170

C

112

152

154

220

C1

80

102

106

170

H

102

130

168

213

H1

28

38

45

55

H2

23

30

45

55

T

99

102

108

115

W

96

99

105

115

G

M10

M16

M20

M24

P

Φ13

Φ17

Φ21

Φ26




受力示意图


图片134





注意:此信息仅供参考。具体以实物为准


上一条: 
下一条: 
+ 86-512-87772336
+ 86-512-89573136
 吴江区东太湖
 大道11666号 

快速链接

产品展示

版权所有 2020 SZOBTE    苏ICP备14015459号-1 技术支持