邮箱 szobte@163.com   ☎ 电话:512-87772336 / 89573136

产品分类

loading

分享到:

LSZ-F07煎饼称重牢房

优质合金钢

易于安装,稳定可靠

申请:适用于衡量汽车开发行业的踏板力量

  • LSZ-F07

  • SZOBTE

  • LSZ-F07

状态:
数量:

产品描述

LSZ-F07煎饼称重牢房

                                                                                                饼子类型系列

特征

n优质合金钢

n易于安装,稳定可靠

l适用于默认:适用于衡量汽车开发行业的踏板力


能力                                                      

500n,1000n,1500n,2000n

规格    

额定输出

2.0mV/V±1%

零余额

±额定输出的1%

30分钟后蠕动

±0.03占大鼠的百分比埃德输出

非线性

±0。3额定输出的百分比

滞后

±0。03额定输出的百分比

重复性

±0。3额定输出的百分比

温度。effecto零钱

0。03应用输出的%/

温度。对零影响

0.03额定输出的百分比/

安全的温度。范围

-10到+ 70.

temp.compstated.

-10到+40

安全过载

150%

输入阻抗

387ω±20Ω

输出阻抗

350ω±5Ω

绝缘电阻

5000m.Ω(50V DC)

额定激励电压

5V DC / AC

最大工作电压

10V DC / AC

保护类

IP65.

建造

0-5T(3.5米); 10t(6M)

类型

LSZ-F07 / 500N

电缆颜色码

红色(+ e)黑色(-e)绿色(+ s)白色(-s)


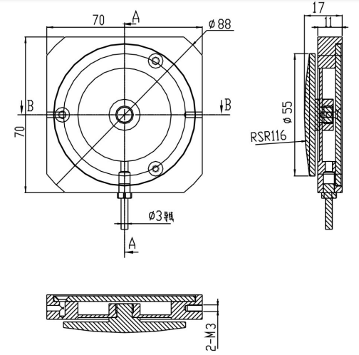
Dimensions

图片103.



力方向

图片104.

注意:信息仅供参考。细节须予以订单


上一条: 
下一条: 
+ 86-512-87772336
+ 86-512-89573136
 吴江区东太湖
 大道11666号 

快速链接

产品展示

版权所有 2020 SZOBTE    苏ICP备14015459号-1 技术支持