产品描述
LSZ-F03B轮辐式称重传感器
产品特点
l 传感器
l 高度低,刚性好,抗偏载能力强。
l 适用于平台秤、汽车衡、轨道衡及料仓物位的测量与控制
量程
量程
0-5kg,10kg,20kg,30kg,50kg,100kg
技术参数
额定输出 | 2.0mV/V±1% |
零点平衡 | 额定输出的±1% |
蠕变 | 额定输出的±0.03% |
非线性 | 额定输出的±0.03% |
滞后 | 额定输出的±0.03% |
重复性 | 额定输出的±0.03% |
灵敏度温漂 | 小于等于应用输出的0.002%/℃ |
零点温漂 | 小于等于额定输出的0.002%/℃ |
可用温度范围 | -10℃至+70℃ |
温度补偿范围 | -10℃至+40℃ |
安全载荷 | 150% |
输入阻抗 | 387Ω±20Ω |
输出阻抗 | 350Ω±5Ω |
绝缘阻抗 | 大于等于5000MΩ(50V DC) |
推荐激励电压 | 5V DC/AC |
最 大工作电压 | 10V DC/AC |
防护等级 | IP65 |
电线 | 2m |
型号 | LSZ-F03B/30kg |
导线颜色 | 红色(E+)黑色(E-)绿色(S+)白色(S-) |
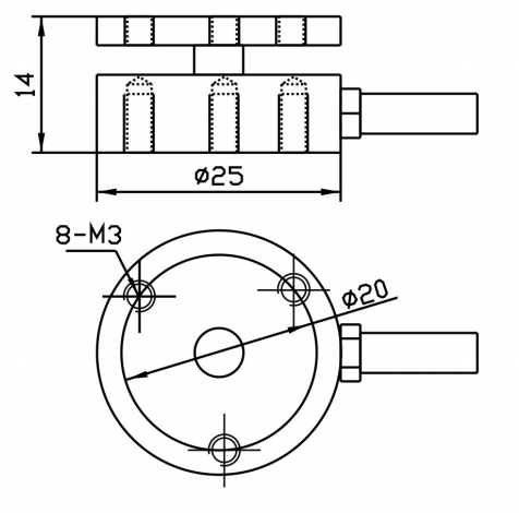
产品尺寸
受力示意图

注意:此信息仅供参考。具体以实物为准