邮箱 szobte@163.com   ☎ 电话:512-87772336 / 89573136
首页 » 产品展示 » 传感器 » 动态扭矩传感器 » MRN-04 动态扭矩传感器

产品分类

loading

分享到:

MRN-04 动态扭矩传感器

扭矩测量功能
能源及信号非接触传递功能
输出信号数字化功能(另加模块)
可传递禁静止扭矩信号、旋转扭矩信号、动态扭矩信号、静态扭矩信号
传递信号时与是否旋转,转速,转向等无关,可以适应长时间,高速运转
精度高、稳定性好;体积小,重量轻,易于安装
无需反复调零即可连续传递正反转扭矩信号
没有集流环等磨损件,可高转速长时间运行
抗干扰性强
可任意位置,任意方向安装
  • MRN-04

  • SZOBTE

  • MRN-04

状态:
数量:

产品描述

MRN-04动态扭矩传感器

                                                      

产品特点


扭矩测量功能

能源及信号非接触传递功能

输出信号数字化功能(另加模块)

可传递禁静止扭矩信号、旋转扭矩信号、动态扭矩信号、静态扭矩信号

传递信号时与是否旋转,转速,转向等无关,可以适应长时间,高速运转

精度高、稳定性好;体积小,重量轻,易于安装

无需反复调零即可连续传递正反转扭矩信号

没有集流环等磨损件,可高转速长时间运行

抗干扰性强

    l 可任意位置,任意方向安装



量程

0〜±5Nm0〜±(10,20Nm

产品描述

MRN-04用于测量旋转扭矩值。由于输出为方波频率信号(也可另加模块输出电流信号或电压信号),抗干扰能力强,使用方便。传感器由于是变压器感应供电,可以长期工作,广泛应用于电机、发电机、风机、飞机、矿山、减速机、船舶、柴油机的转矩、转速和功率的检测。

基本参数

扭矩精度

±0.2% F·S

频率响应

100μs

非线性度

<±0.2% F·S

重复性

<±0.1% F·S

回差

<0.1%F·S

零点时漂

<0.2%F·S

零点温漂

<0.2%F·S / 10

输出阻抗

350Ω±1Ω,700Ω±3Ω,1000Ω±5Ω(可选)

绝缘阻抗

>500MΩ

静态超载

120%150%200%(可选)

使用温度

-10℃〜50℃

储存温度

-20〜70℃

电源电压

±15V±5%

总消耗电流

<200mA

输出信号

0-12V方波频率;空载:10kHz;

正向满量程:15kHz,反向满量程:5kHz

额定扭矩

10kHz±5kHz(正反向测量值)

适应转速

5000转/分以下


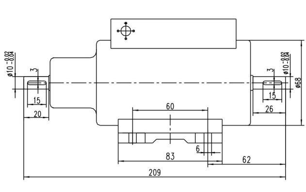
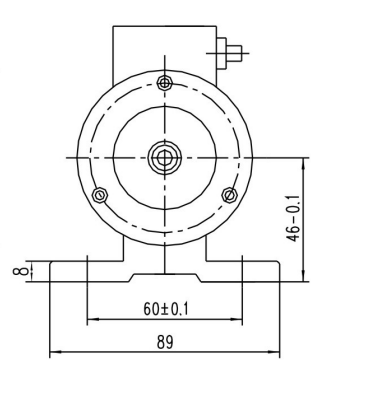
产品尺寸

图片2

图片3

注意:此信息仅供参考。具体以实物为准。


上一条: 
下一条: 
+ 86-512-87772336
+ 86-512-89573136
 吴江区东太湖
 大道11666号 

快速链接

产品展示

版权所有 2020 SZOBTE    苏ICP备14015459号-1 技术支持