产品描述
MRN-03动态扭矩传感器
产品特点
l 扭矩测量功能
l 能源及信号非接触传递功能
l 输出信号数字化功能(另加模块)
l 可传递禁止扭矩信号、旋转扭矩信号、动态扭矩信号
l 传递信号时与是否旋转,转速,转向等无关,可以适应长时间,高速运转
l 精度高、稳定性好;体积小,重量轻,易于安装
l 无需反复调零即可连续传递正反转扭矩信号
l 没有集流环等磨损件,可高转速长时间运行
l 抗干扰性强
l 可任意位置,任意方向安装
量程
0〜±5Nm、0〜±(10,20,50,100,200,500,1000)Nm
应用场合
MRN-03型转矩转速耦合器是MRN-01系列转矩耦合器的轴向长度最短形式。传感器输出为方波频率信号(也可加模块输出电流或电压信号),抗干扰能力强,使用方便。采用电磁耦合供电,可以长期工作,广泛应用于电机、发电机、风机、飞机、矿山、减速机、船舶、柴油机的转矩、转速和功率的检测。
基本参数
扭矩精度 | <±0.5% F·S,<±0.3%F.S(可选) |
频率响应 | 100μs |
适应转速 | 5000转/分以下 |
非线性 | <±0.2% F·S |
重复性 | <±0.1% F·S |
回差 | <0.1% F·S |
零点时漂 | <0.2%F·S |
零点温漂 | <±0.2% F·S /10℃ |
输出阻抗 | 350Ω±1Ω,700Ω±3Ω,1000Ω±5Ω(可选) |
绝缘阻抗 | >500MΩ |
静态超载 | 120%150%200%(可选) |
使用温度 | -10~50℃ |
储存温度 | -20~70℃ |
电源电压 | ±15V±5% |
总 消耗电流 | <200mA |
输出信号 | 0-12方波频率;空载:10kHz; 正向满量程:15kHz;反向满量程:5kHz |
额定扭矩 | 10kHz±5kHz(正反方向测量值) |
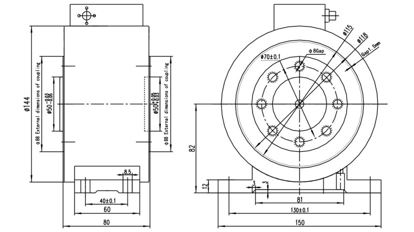
产品尺寸

注意:此信息仅供参考。具体以实物为准