邮箱 szobte@163.com   ☎ 电话:512-87772336 / 89573136
首页 » 产品展示 » 传感器 » 柱式称重传感器 » LSZ-A04 柱式称重传感器

产品分类

loading

分享到:

LSZ-A04 柱式称重传感器

不锈钢材质,稳定性好
尺寸、量程可定制
适用于自动化冲压设备,冲击力检测设备,气动液压设备等领域
  • LSZ-A04

  • SZOBTE

  • LSZ-A04

状态:
数量:

产品描述


LSZ-A04多柱称重传感器




     

产品特点


n由不锈钢制成,稳定性好

n尺寸和量程可定制

l应用程式用途:主要用于冲压设备,冲击力测试设备,气动液压设备等。


量程                                                      

0-10kg,20kg,50kg,100kg,200kg,500kg,1000kg,2000kg,5000kg

技术参数    

额定输出

1.0-1.5mV/V±1%

零点平衡

额定输出的±1%

蠕变

额定输出的±0.05

非线性

额定输出的±0.03

滞后

额定输出的±0.1

重复性

额定输出的±0.03

灵敏度温漂

小于等于应用输出的0.05%/

零点温漂

小于等于额定输出的0.02%/

可用温度范围

-10至+70

温度补偿范围

-10至+40

安全载荷

150%

输入阻抗

387Ω±20Ω

输出阻抗

350Ω±5Ω

绝缘阻抗

大于等于5000MΩ(50V DC)

推荐激励电压

5V DC/AC

最 大工作电压

10V DC/AC

防护等级

IP65

电线

2m

型号

  LSZ-A08/30kg

导线颜色

红色(E+)黑色(E-)绿色(S+)白色(S-


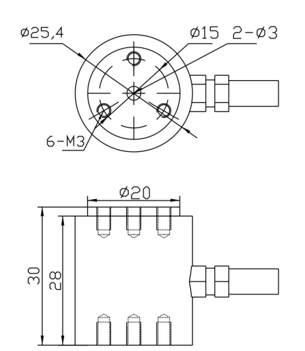
产品尺寸

图片65




受力示意图

图片66


注意:此信息仅供参考。具体以实物为准


上一条: 
下一条: 
+ 86-512-87772336
+ 86-512-89573136
 吴江区东太湖
 大道11666号 

快速链接

产品展示

版权所有 2020 SZOBTE    苏ICP备14015459号-1 技术支持