邮箱 szobte@163.com   ☎ 电话:512-87772336 / 89573136
首页 » 产品展示 » 传感器 » 柱式称重传感器 » LSZ-A02D 柱式称重传感器

产品分类

loading

分享到:

LSZ-A02D 柱式称重传感器

柱式称重传感器
优质铝合金材质
安装简便、快捷,稳定可靠
适用于各种试验机,配料秤、吊钩秤,插拔力试验机,按钮测试仪和各类专用秤等
  • LSZ-A02D

  • SZOBTE

  • LSZ-A02D

状态:
数量:

产品描述

LSZ-A02D柱式称重传感器                                                                                                                                                                                                   

产品特点


柱式称重传感器

优质铝合金材质

安装简便、快捷,稳定可靠

适用于各种试验机,配料秤、吊钩秤,插拔力试验机,按钮测试仪和各类专用秤等。



量程                                                      

0-50kg,100kg,200kg,500kg,1t,2t,3t

技术参数  

额定输出

2.0mV/V±1%

零点平衡

额定输出的±1%

蠕变

额定输出的±0.03

非线性

额定输出的±0.03

滞后

额定输出的±0.03

重复性

额定输出的±0.3

灵敏度温漂

小于等于应用输出的0.02%/

零点温漂

小于等于额定输出的0.02%/

可用温度范围

-10至+70

温度补偿范围

-10至+40

安全载荷

150%

输入阻抗

387Ω±20Ω

输出阻抗

350Ω±5Ω

绝缘阻抗

大于等于5000MΩ(50V DC)

推荐激励电压

10V DC/AC

防护等级

IP65

电线

2m

型号

  LSZ-A02D/30kg

导线颜色

红色(E+)黑色(E-)绿色(S+)白色(S-


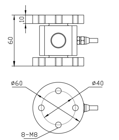
产品尺寸



图片41


受力示意图

图片42

注意:此信息仅供参考。具体以实物为准


上一条: 
下一条: 
+ 86-512-87772336
+ 86-512-89573136
 吴江区东太湖
 大道11666号 

快速链接

产品展示

版权所有 2020 SZOBTE    苏ICP备14015459号-1 技术支持