邮箱 szobte@163.com   ☎ 电话:512-87772336 / 89573136
首页 » 产品展示 » 传感器 » 静态扭矩传感器 » MRN-S01 静态扭矩传感器

产品分类

loading

分享到:

MRN-S01 静态扭矩传感器

扭矩传感器
用于静态,非连续旋转的扭矩力值测量。被广泛应用于试验机,禁止扭矩检测等测试系统中,由于出色的稳定性及较高的测量精度而受到用户的赞誉
  • MRN-S01

  • SZOBTE

  • MRN-S01

状态:
数量:

产品描述

MRN-S01静态扭矩传感器


产品特点


  • 扭矩传感器

  •     用于静态,非连续旋转的扭矩力值测量。被广泛应用于试验机,禁止扭矩检测等测试系统中,由于出色的稳定性及较高的测量精度而受到用户的赞誉

                                                    

量程                                                    

0〜±(1,2,5,10,20,50,100,200,300,3000)Nm

技术参数    

额定输出

2.0mV/V±1%

零点平衡

额定输出的±1%

蠕变

额定输出的±0.03

非线性

额定输出的±0.03

滞后

额定输出的±0.03

重复性

额定输出的±0.03

灵敏度温漂

小于等于应用输出的0.002%/

零点温漂

小于等于额定输出的0.002%/

可用温度范围

-10至+70

温度补偿范围

-10至+40

安全载荷

150%

输入阻抗

387Ω±20Ω

输出阻抗

350Ω±5Ω

绝缘阻抗

大于等于5000MΩ(50V DC)

推荐激励电压

5V DC/AC

最 大工作电压

10V DC/AC

电线

2m

型号

  MRN-S01/1N.m

导线颜色

红色(E+)黑色(E-)绿色(S+)白色(S-



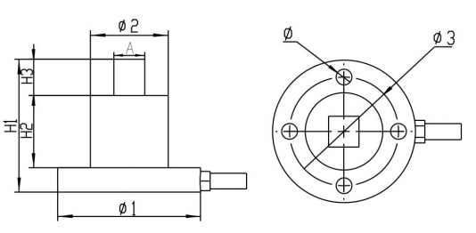
产品尺寸

图片156




尺寸(毫米)

盖(N.m)

A

H1

H2

H3

Φ1

Φ2

Φ3

Φ4

2〜200

12.5

55

30

15

59

32

45

6.5

300〜1500

25.4

75

40

24

68

40

55

8.5

2000〜3000

25.4

85

44

24

98

56

80

13


受力示意图


图片157


注意:此信息仅供参考。具体以实物为准


上一条: 
下一条: 
+ 86-512-87772336
+ 86-512-89573136
 吴江区东太湖
 大道11666号 

快速链接

产品展示

版权所有 2020 SZOBTE    苏ICP备14015459号-1 技术支持