邮箱 szobte@163.com   ☎ 电话:512-87772336 / 89573136
首页 » 产品展示 » 传感器 » 悬臂梁式称重传感器 » LSZ-XB1 单端剪切梁称重传感器

产品分类

loading

分享到:

LSZ-XB1 单端剪切梁称重传感器

悬臂梁式
优质合金钢材质
表层镀镍防腐处理
适用于平台秤、搅拌站和配料秤等
  • LSZ-XB1

  • SZOBTE

  • LSZ-XB1

状态:
数量:

产品描述

LSZ-XB1悬臂梁式称重传感器                                                                                                                                                                                              

产品特点


悬臂梁式

优质合金钢材质

表层镀镍防腐处理

适用于平台秤、搅拌站和配料秤等

   


量程                                                      

0-500kg,1000kg,2000kg,3000kg,5000kg,10t,20t

技术参数    

额定输出

2.0mV/V±1%

零点平衡

额定输出的±1%

蠕变

额定输出的±0.03

非线性

额定输出的±0.03

滞后

额定输出的±0.03

重复性

额定输出的±0.03

灵敏度温漂

小于等于应用输出的0.02%/

零点温漂

小于等于额定输出的0.02%/

可用温度范围

-10至+70

温度补偿范围

-10至+40

安全载荷

150%

输入阻抗

387Ω±20Ω

输出阻抗

350Ω±5Ω

绝缘阻抗

大于等于5000MΩ(50V DC)

推荐激励电压

5V DC/AC

最 大工作电压

10V DC/AC

防护等级

IP65

电线

3m

型号

  LSZ-XB1/30kg

导线颜色

红色(E+)黑色(E-)绿色(S+)白色(S-



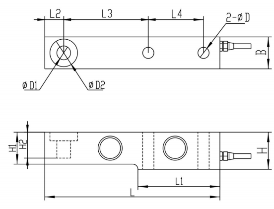
产品尺寸



图片105

尺寸(毫米)

CAP(公斤)

L

L1

L2

L3

L4

ΦD

Φ1

ΦD2

H

H1

H2

B

500〜3000

203

95

22

98

64

13

16

32

43

37

30

37

5000

235

110

22

124

66

21

22

38

52

48

30

48

10000

279

133

32

140

82

28

32

48

67

60

20

60

20000

318

153

38

159

89

34

38

54

82

70

24

70


受力示意图

图片111

注意:此信息仅供参考。具体以实物为准


上一条: 
下一条: 
+ 86-512-87772336
+ 86-512-89573136
 吴江区东太湖
 大道11666号 

快速链接

产品展示

版权所有 2020 SZOBTE    苏ICP备14015459号-1 技术支持