邮箱 szobte@163.com   ☎ 电话:512-87772336 / 89573136

产品分类

loading

分享到:

LSZ-F03 称重传感器

传感器
高度低,刚性好,抗偏载能力强。
适用于平台秤、汽车衡、轨道衡及料仓物位的测量与控制。
  • LSZ-F03

  • SZOBTE

  • LSZ-F03

状态:
数量:

产品描述

LSZ-F03 称重传感器

                                                        


产品特点


传感器

高度低,刚性好,抗偏载能力强。

适用于平台秤、汽车衡、轨道衡及料仓物位的测量与控制。


     


量程                                                      

0.2-30吨

技术参数   

额定输出

2.0mV/V±1%

零点平衡

额定输出的±1%

蠕变

额定输出的±0.03

非线性

额定输出的±0.03

滞后

额定输出的±0.03

重复性

额定输出的±0.03

灵敏度温漂

小于等于应用输出的0.002%/

零点温漂

小于等于额定输出的0.002%/

可用温度范围

-10至+70

温度补偿范围

-10至+40

安全载荷

150%

输入阻抗

387Ω±20Ω

输出阻抗

350Ω±5Ω

绝缘阻抗

大于等于5000MΩ(50V DC)

推荐激励电压

5V DC/AC

最 大工作电压

10V DC/AC

防护等级

IP65

电线

0-5t(3m);10t(6m)

型号

  LSZ-F03/0.2t

导线颜色

红色(E+)黑色(E-)绿色(S+)白色(S-














图片77_2

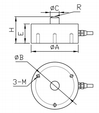
产品尺寸
















尺寸(毫米)

CAP(吨)

ΦA

ΦB

ΦC

H

E

M

R

0.3〜1

78

64

15

40

32

M6

40

2〜10

82

66

22

44

32

M8

50

15〜30

127

90

25

70

62

M10

60






注意:此信息仅供参考。具体以实物为准


上一条: 
下一条: 
+ 86-512-87772336
+ 86-512-89573136
 吴江区东太湖
 大道11666号 

快速链接

产品展示

版权所有 2020 SZOBTE    苏ICP备14015459号-1 技术支持